English
Español
Português
русский
Français
日本語
Deutsch
tiếng Việt
Italiano
Nederlands
ภาษาไทย
Polski
한국어
Svenska
magyar
Malay
বাংলা ভাষার
Dansk
Suomi
हिन्दी
Pilipino
Türkçe
Gaeilge
العربية
Indonesia
Norsk
تمل
český
ελληνικά
український
Javanese
فارسی
தமிழ்
తెలుగు
नेपाली
Burmese
български
ລາວ
Latine
Қазақша
Euskal
Azərbaycan
Slovenský jazyk
Македонски
Lietuvos
Eesti Keel
Română
Slovenski
मराठी
Srpski језик |
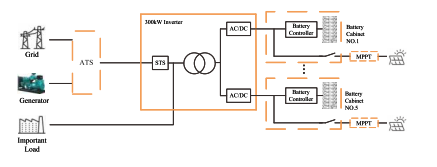
Карактеристика Системот користи модуларни инвертер единици во паралелна конфигурација, каде DC-влезот на секој инвертер модул одговара на посветен кабинет за батерии, овозможувајќи управување по кластер да ги елиминира циркулирачките струи помеѓу жици на батерии. Модулите за напојување со AC/DC поддржуваат флексибилно распоредување и во количина и рејтинг на моќност, со максимален капацитет од 60 kW модули во паралела од 5 единици конфигурација. Излезот наизменична струја од модулите за напојување се испорачува преку трансформатор изолирана излезна фаза, снабдувајќи ја моќноста на товарот со силен отпор кон тековен шок. Хибридниот ESS користи фотоволтаична интеграција поврзана со DC, постигнувајќи високи ефикасност на конверзија на енергија и оптимизирана за сценарија надвор од мрежата со PV производствен капацитет кој ја надминува побарувачката на оптоварување; MPPT контролери со оцена на отворено интегрирајте ги функционалностите на комбинирачот и MPPT во едно зацврстено куќиште. Комплетниот систем вклучува опција ATS на дизел генератор, хибрид од 300 kW инвертер, PV MPPT контролер и систем за складирање на енергија од батерии.
Карактеристика Системот користи модуларни инвертер единици во паралелна конфигурација, каде DC-влезот на секој инвертер модул одговара на посветен кабинет за батерии, овозможувајќи управување по кластер да ги елиминира циркулирачките струи помеѓу жици на батерии. Модулите за напојување со AC/DC поддржуваат флексибилно распоредување и во количина и рејтинг на моќност, со максимален капацитет од 60 kW модули во паралела од 5 единици конфигурација. Излезот наизменична струја од модулите за напојување се испорачува преку трансформатор изолирана излезна фаза, снабдувајќи ја моќноста на товарот со силен отпор кон тековен шок. Хибридниот ESS користи фотоволтаична интеграција поврзана со DC, постигнувајќи високи ефикасност на конверзија на енергија и оптимизирана за сценарија надвор од мрежата со PV производствен капацитет кој ја надминува побарувачката на оптоварување; MPPT контролери со оцена на отворено интегрирајте ги функционалностите на комбинирачот и MPPT во едно зацврстено куќиште. Комплетниот систем вклучува опција ATS на дизел генератор, хибрид од 300 kW инвертер, PV MPPT контролер и систем за складирање на енергија од батерии.
Спецификации |
|||||
| Модели | P200TS-400-A | P250TS-400-A | P300TS-400-A | ||
|
Параметри на DC-Side |
Опсег на напон | 650-950 Vdc | |||
| Влезен прекинувач по модул | 250 А | ||||
| Број на DC канали | 3 начин | 4 начин | 5 начин | ||
|
Параметри на AC-Side (поврзан на мрежа) |
Номинална излезна моќност | 200 kW | 250 kW | 300 kW | |
| Максимална излезна моќност | 220 kW | 275 kW | 330 kW | ||
| Номинална излезна струја | 289А | 361А | 433А | ||
| THDi | <3% | ||||
| Тип на решетка | 3W+N+PE | ||||
| Опсег на напон | 360Vac~440Vac | ||||
| Фреквентен опсег | 45~55Hz/55~65Hz | ||||
| Фактор на моќност | -1~1 | ||||
|
Островирани Параметри на AC-страната |
Номинална излезна моќност | 200 kW | 250 kW 300 kW | ||
| Номинален излезен напон | 400 Вак | ||||
| Номинална излезна фреквенција | 50/60 Hz | ||||
| THDu | <1% линеарна, <5% нелинеарна<1% линеарна, <5% нелинеарна | ||||
| Капацитет за преоптоварување | 110% преоптоварување за 10 минути 110% за 10 минути | ||||
|
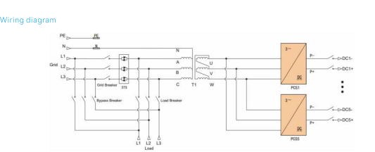
Грид-Остров Трансфер и разводна опрема |
Бајпас прекинувач за одржување | 400 А | 630 А | ||
| Прекинувачи на мрежата | 630 А | 800 А | |||
| Прекинувачи за вчитување | 400 А | 630 А | |||
| STS единица | 577A/400kW | 722A/500kW | |||
| Време на префрлување | <20 ms | ||||
|
Параметри на системот |
Врвна ефикасност | 97,5% | |||
| Работна температура | -30 ~ 55 ℃ - 30 ~ 55 ℃ (над 40 ℃) | ||||
| Релативна влажност | 0~95%RH,0~95%RH,Некондензирачки | ||||
| Димензии (L*D*H) | 1300×1050×2050 mm | ||||
| Тежина | 1400 кг | 1700 кг 1800 кг | |||
| IPgrade | IP21 IP21 (целосен сет) | ||||
| Бучава | <70 dB | ||||
| Прикажи екран | LCD екран на допир | ||||
| BMS комуникација | МОЖЕ | ||||
| ЕМС комуникација | TCP/IP | ||||
Кабинет за складирање енергија
Вертикална литиумска батерија за складирање на енергија
Rack кабинет Литиумска батерија за складирање на енергија
Литиумска батерија за складирање на енергија на ѕид
Наредена литиумска батерија за складирање на енергија
Високонапонска литиумска батерија за складирање на енергија